Explosion/Flame Proof Nipple Type Temperature Sensors
EXPLOSION / FLAME PROOF NIPPLE TYPE TEMPERATURE SENSOR
Safety and reliable explosion/flame proof temperature sensors which can be combined with terminal boxes of various countries/areas
Explosion/flame proof temperature sensors conform to the explosion proof standards of Europe, U.S.A., China, Korea, Russia, Kazakhstan, Belarus, and India
Features
Explosion/flame proof temperature sensors which conform to the explosion proof standards of various countries and areas in the world including Japan. They support sheathed thermocouples as well as spring movable types. You can use them as single temperature sensors in combination with temperature transmitters or terminal boxes which have passed the explosion/flame proof certification of each area.
You can combine them with products by all manufacturers of each country/area in the world.
Basic Specification
| Areas | Combined Temperature Transmitters or Terminal Boxes | Explosion Proof Class | Protection Class | Remarks | |
|---|---|---|---|---|---|
| Condition | *2 (Example) | ||||
| International (IECEx) |
IECEx Certified Products |
Note) |
Ex de ⅡC T6 & T5 Gb Ex tb ⅢC Db T85℃ & T100℃ |
IP66 |
※1 |
| Europe (Baseefa) |
ATEX Certified Products | Ⅱ2 GD Ex de ⅡC tD A21 T6 T85℃ & T5 T100℃ |
|||
| China (NEPSI) |
NEPSI Certified Products | Ex de ⅡC T5/T6 Gb Ex tD A21 IP66 T85℃/T100℃ |
|||
| Russia Kazakhstan Belarus (TR CU) |
TR CU Certified Products | 1Ex de ⅡC T5/T6 Gb X | |||
| India (PESO) |
PESO Certified Products | Ex Ⅱ2G / ExdeⅡC | |||
| U.S.A. (FM) |
FM or UL Certified Products | ClassⅠ, Div.1,Gr.A,B,C & D ClassⅡ/Ⅲ,Div.1,Gr.E,F & G |
NEMA4 & 4X | ||
- ※1:
Furthermore, we have acquired IECEx (International mutual certification system for explosion proof electrical devices); therefore, the safety tests are exempted by receiving countries, and smooth sales and distribution have become possible.
- ※2:
Basically, the country (agency) that has certified the sensor must be the same as the country (agency) that has certified the temperature transmitter or terminal box in order to be combined with the sensor. Make sure to check manufacturer’s latest information on acquisition. In addition, they cannot be used in dangerous places where Japanese explosion proof certification is required.
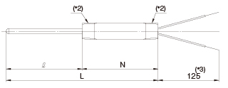
T39N/T49N

T39U/T49U

(Sheathed Thermocouples)
| Basic Type (*1) | T39N T39U T39S T49N T49U T49S |
With nipple With nipple and union With support pipe Spring type with nipple Spring type with nipple and union Spring type with support pipe |
|---|---|---|
| Certification Category | -EX -EC -NP -TR -PS -FM |
IECEx certified (only R49N, U and S) ATEX (Baseefa) certified (only R49N, U and S) NEPSI certified (only R49N, U and S) TR CU certified (only R49N, U and S) PESO certified (only R49N, U and S) FM certified (only R49N, U and S) |
| Nipple Length (*3) | -1 -2 |
N=75(39N,49N) N=160(39U,49U) |
| Whole Length | L | (Unit: mm) |
| Sheath Outer Diameter | B,CN D,DN E,EN F,FN G |
φ1.6, φ2.0 φ3.2, φ3.0 φ4.8, φ4.5 φ6.4, φ6.0 φ8.0 |
| Number of Element Wires | 2 4 |
Single Double |
| Element Type | N K E J T |
Ni-Cr-Si / Ni-Si Ni-Cr / Ni-AI Ni-Cr / Cu-Ni Fe / Cu-Ni Cu / Cu-Ni |
| Measuring Junction | 5 8 9 |
(#5) non-ground/separation type G (#8) Ground type U (#9) non-ground type |
| Sheath Material | C D B |
316SS 310S SS NCF600 equivalent (NCF600eq) |
| Class | 01 02 03 04 05 06 07 08 |
1(JIS) 2(JIS) 3(JIS) STD(ASTM) SP(ASTM) 1(IEC) 2(IEC) 3(IEC) |
| Additional Parts | Refer to PRODUCT GUIDE Standard Parts (I) (flanges, screws, pads, etc.) | |
| Insertion Length | ℓ | (Unit: mm) |
- (*1) The names of the types are FPN on the IECEx, EC, NP, GR, GK and PS certificates regardless of the structures.
- (*2) NPT 1/2, BSPT 1/2, BSPP 1/2, M20X 1.5…(EX) (EC) (NP) (GR) (GK) (PS) NPT 1/2, R 1/2…(FM)
- (*3) Standard dimensions. For other dimensions, please specify it.
- Pay attention to the ambient temperature in the place where the terminal box is placed.
EX, EC, NP, GR, GK, PS: -50 to 60℃ (T6) -50 to 75℃ (T5) FM: -50 to 75℃
For IECEx, an application procedure such as the confirmation of certification exemption may be required due to the requirements of the accepting country.
Please specify the screw size of the temperature transmitter or terminal box to be combined.
Note) Only for China (NEPSI), the screw sizes of G1/2 and G3/4 to combine with TM or terminal box cannot be used.
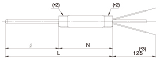
R39N/R49N

R39U/R49U

(Sheath Resistance Thermometer Sensor)
| Basic type (*1) | R39N R39U R39S R49N R49U R49S |
With nipple With nipple and union With support pipe Spring type with nipple Spring type with nipple and union Spring type with support pipe |
||
|---|---|---|---|---|
| Certification category | -EX -EC -NP -TR -PS -FM |
IECEx certified (only R49N, U and S) ATEX (Baseefa) certified (only R49N, U and S) NEPSI certified (only R49N, U and S) TR CU certified (only R49N, U and S) PESO certified (only R49N, U and S) FM certified (only R49N, U and S) |
||
| Nipple length (*3) | -1 -2 |
N=75(39N,49N) N=160(39U,49U) |
||
| Whole length | L | (Unit: mm) | ||
| Sheath outer diameter | D,DN E,EN F,FN G |
φ3.2, φ3.0 φ4.8, φ4.5 φ6.4, φ6.0 φ8.0 |
||
| Number of element wires | 3,4 6 |
Single Double |
||
| Use temperature range | L N M H |
-196℃ to 100℃ -30℃ to 200℃ 0 to 350℃ 0 to 500℃ |
||
| Resistance value | 100 | PT100Ω or JPt100Ω | ||
| Class | -AAJ -AJ -BJ -CJ -A -B -AAI -AI -BI -CI |
Pt 100 Ω Class AA (JIS-2013) Pt 100 Ω Class A (JIS-2013) Pt 100 Ω Class B (JIS-2013) Pt 100 Ω Class C (JIS-2013) Pt 100 Ω Class A (JIS-1997) Pt 100 Ω Class B (JIS-1997) Pt 100 Ω Class AA (IEC) Pt 100 Ω Class A (IEC) Pt 100 Ω Class B (IEC) Pt 100 Ω Class C (IEC) |
-10 -11 -1 -2 |
Pt 100 Ω Class B (ASTM) Pt 100 Ω Class A (ASTM) JPt 100 Ω Class B JPt 100 Ω Class A |
| Additional parts | Refer to PRODUCT GUIDE Standard Parts (I) (flanges, screws, pads, etc.) | |||
| Insertion length | ℓ | (Unit: mm) | ||
- (*1) The type name is FPN on the IECEx, EC, NP, GR, GK and PS certificates regardless of structures.
- (*2) NPT 1/2, BSPT 1/2, BSPP 1/2, M20X 1.5…(EX) (EC) (NP) (GR) (GK) (PS) NPT 1/2, R 1/2…(FM)
- (*3) Standard dimensions. For other dimensions, please specify it.
- Pay attention to the ambient temperature in the place where the terminal box is placed.
EX,EC,NP,GR,GK,PS:-50 to 60℃(T6) -50 to 75℃(T5)
FM:-50 to 75℃
For IECEx, an application procedure such as certification exemption confirmation may be required due to the requirements of an accepting country.
Basically, the country (agency) that has certified the sensor must be the same as the country (agency) that has certified the temperature transmitter or terminal box in order to be combined with the sensor.
Only for China (NEPSI). As for the type of TM or a terminal box combined, the screw sizes of G1/2 and G3/4 cannot be used.
Catalog
Product Catalog
Our Catalog of Explosion/Flame Proof Nipple Type Temperature Sensors
Catalog No.: OMC-7013
