温度センサ用保護管
温度センサ用保護管は、様々なプラントの各種プロセスにおいて、高圧環境や、腐食環境、高温環境等から温度センサ を保護するために使用されます。 通常、サーモウエル(THERMOWELL)と呼ばれるタイプは、温度センサと独立して配管ライン等に設置可能です。 分野別には下記の向け先ごとに設計仕様が異なります。
金属保護管材料の種類と特長
| 種類()内はJIS記号/商品名 | 化学成分(%) | 常用使用 温度限界(℃)※1 |
特長 | |
|---|---|---|---|---|
| 軟鋼 | STPG | 0.25〜0.3C 0.3〜1.0Mn 残Fe |
600 | 酸化性雰囲気に弱いため、非腐食性流体に使用。ガラス、樹脂等で表面加工し、耐食性を増して使用される。 |
| 高温圧力容器用 合金鋼鍛鋼 |
SFVAF22 | 2.25Cr-1Mo-Fe(c≦0.15) | 600 | 低炭素合金鋼であり、MoCrの添加で高温での耐食性良好。高圧部での溶接材料に注意が必要。 |
| オーステナイト系 ステンレス鋼 |
304SS(SUS304) | 18Cr-8Ni-Fe | 900 | ステンレス鋼として最も広く使用。食品設備、一般化学設備、原子力用等。 |
| 304LSS(SUS304L) | 18Cr-9Ni-低C-Fe | 800 | 304の低炭素鋼。耐粒界腐食性を高めたもの。 | |
| 310S SS(SUS310S) | 25Cr-20Ni-Fe | 1000 | 耐酸化性に優れ、耐鋼熱として使用される。硫化物に弱い。 | |
| 316SS(SUS316) | 18Cr-12Ni-2.5Mo-Fe | 900 | 海水をはじめ各種媒質に304より優れた耐食性がある。耐孔食材料。 | |
| 321SS(SUS321) | 18Cr-9Ni-Ti-Fe | 900 | Tiを添加し、耐粒界腐食性を高めたもの。 | |
| 347SS(SUS347) | 18Cr-9-NiNb-Fe | 900 | Nbを添加し、耐粒界腐食性を高めたもの。 | |
| 253MA | 21Cr-11Ni-1.7Si-Fe | 1150 | 高温での耐食性に優れる。高温強度が高い。 | |
| フェライト系 耐熱鋼 |
4C54(SANDVIKP4)(SUH446) | 25Cr-0.2N-0.2C | 1000 | 高温腐食に強く、1082°Cまで剥離しやすいスケールの発生が無い。耐硫化性に優れる。 |
| 耐食耐熱超合金 | INCONEL600(NCF600) | 15.5Cr-72Ni-7Fe | 1050 | 高温酸化性雰囲気・還元性雰囲気下での耐食性に優れる。耐浸炭性・耐窒化性に優れる。 |
| INCOLOY-800H(NCF800H) | 20.5Cr-32Ni-44.5Fe-Ti-AL-Cu | 1000 | 耐浸炭性及び内部酸化に対し強い対抗がある。安定したオーステナイト組識を持ち耐食性も良好。特に800Hは高温強度・クリープラプチャー強度に優れる。 | |
| MCアロイMCALLOY | 45Cr-1Mo-Ni | 1000 | 耐サルファーアタック、耐バナジウムアタックに優れる。 | |
| Ni基耐熱耐食合金 | HASTELLOY- C276 |
15Cr-52Ni-16Mo- 5.5Fe-4W |
1000 | 商品名HASTELLOY-C276。酸化・還元雰囲気での酸及び混酸に優れた耐食性を示す。 |
| HASTELLOY-X | 22Cr-48Ni-9Mo- 18Fe-1.5CO-0.6W |
1150 | 商品名HASTELLOY-X。代表的な耐熱合金。1090°Cにおいても強度と耐酸化性を保持。 | |
| Co基耐熱耐食合金 | UMCO50 | 28Cr-21Fe-1Si-50Co | 1150 | 商品名UMCO50。耐熱衝撃性・耐摩耗材料と硫化物やバナジウムに対し優れる。高温強度も高い。 |
| チタン | - | 0.2Fe-Ti | 250 | 低温域での耐食性、特に耐海水に優れる。 |
注記
- (1)
ここに掲載の常用温度は、炉内温度計測等、機械的強度を求められない場合の最高温度です。強度計算が必要な場合は、高圧ガス保安法に掲載の、許容応力が定められた最高温度を採用ください。
- (2)
常用温度はJIS及びメーカーカタログ等を参考に掲載したもので、保証値ではありません。
保護管の表面処理(カバーを含む)の種類と特長
| 種類()内はJIS記号/商品名 | 常用使用 温度限界(℃)※1 |
特長 | |
|---|---|---|---|
| コーティング | 弗化樹脂(PFA) | 250 | 耐薬品性が大きく、150°Cを超える場合、4-6弗化樹脂以上の抵抗性を示す。 |
| セラミック(Al2O3) | 1100 | 耐摩耗、耐熱、耐食性に優れる。素材との熱膨張差に注意。 |
|
| ライニング | ガラス | 250 | 素地はSTPG/SS400を使用。耐酸性は優れるがアルカリ性は劣る |
| ハードフェーシング | SF-6 (MSF Co1) |
Depending on the Material | 耐食性、耐摩耗性に優れる。耐酸、耐アルカリにも優れる。 |
| カバー | タンタル | 350 | 全ての酸に強耐食性を示す。弗酸、苛性ソーダは劣る。 |
| 4-6弗化樹脂(FEP) | 150 | ほとんどの耐薬品性に抵抗を示す。 | |
※1常用使用温度限界はJIS及びメーカーカタログ等を参考に記載したもので、保証値ではありません。
用途別仕様
1.石油化学・ガスプラント向けくり抜き保護管
一般的にフランジ付きくり抜き保護管が多く、メンテナンス性に優れます。保護管材質は316系のオーステナイト系ステンレス鋼が多く、用途により様々な材質が用いられます。TW20Aタイプが相当します。
2.火力発電所向けくり抜き保護管
主蒸気ラインで使用されるタイプは、ねじ込み後溶接あるいは砲弾型の溶接タイプが多く使用されます。高圧・高温・高速・高密度の蒸気の流れに曝されるため、カルマン渦等での折損を避けるため、太く短い形状をしています。TW10D、TW10Eタイプが相当 します。
3.焼却炉向け高温用保護管
温度センサと一体型が多く使用されますが、内部の熱電対は交換可能で、1000℃以上の高温用にはセラミックの保護管が使用されます。消耗品として使用される場合には、パイプ式保護管が多く使用されます。
焼却炉用保護管・熱電対:実際の焼却炉で試験した結果
4.食品・薬品向けサニタリ仕様保護管
内部流体の付着を防ぐため、保護管表面はバフ仕上げや電解研磨が施されます。洗浄し易くするため、クランプで簡単に脱着可能なフェルール付きが多く使用されます。
上記の他にもOKAZAKIの温度センサ用保護管は、お客様の様々なニーズに応え、設計・製作します。 特に配管ラインに設置される保護管は使用条件に応じ強度計算を実施、使用可能か否かの判定を行い、不可の場合には使用可能な各種寸法を決定します。計算結果によっては、カルマン渦対策のため、螺旋棒付き保護管の設計・製作も行います。
保護管の強度計算は、ASME PTC 19.3-1974 や改訂されたASME PTC 19.3 TW-2016(2010)、あるいは日本機械学会基準JSME S 012 に準拠し、有償で行っています。また、高圧ガス保安法に準拠した計算書の提出や必要な検査及び材料証明書の提出も可能です。
さらに、要求される様々な検査に対応し、耐圧検査(水圧:~49.03MPa)・気密検査(N2:~ 6.86MPa)はもちろんX線検査や拡大X線撮影(マイクロフォーカス)、カラーチェック等の非破壊検査にも対応可能です。また、材料確認のために、 PMI試験装置での化学成分検査も可能です。代表的な製品の写真です。
基本モデル
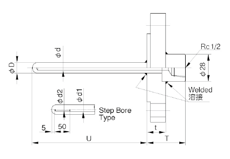
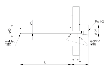
TW10A:くり抜き保護管 ねじ込み形
TW10D:くり抜き保護管 ねじ込み形ラギング付き
TW10E:くり抜き保護管 溶接形
TW10F:くり抜き保護管 ねじ込み形丸頭
TW20A:くり抜き保護管 フランジ形
TW20B:くり抜き保護管組立形 フランジ形
TW30A:パイプ保護管 ねじ込み
TW40B:パイプ形保護管 フランジ形


