耐圧防爆形ニップル温度センサ
EXPLOSION / FLAME PROOF NIPPLE TYPE TEMPERATURE SENSOR
各国・地域の端子箱と組み合わせ可能安心と信頼の耐圧防爆形温度センサ
欧州・米国・中国・韓国・ロシア・カザフスタン・ベラルーシ・インド 防爆基準適合 耐圧防爆形温度センサ
特長
日本をはじめ、世界各国・地域の防爆基準に適合した耐圧防爆形温度センサです。シース熱電対のほか、スプリング可動式にも対応しています。単体の温度センサとして、各地域の耐圧防爆検定に合格した温度伝送器または端子箱を組み合わせてご使用いただけます。
世界各国・地域のあらゆるメーカの製品と組み合わせ可能です。
基本仕様
| 対象・地域 | 組合せ温度伝送器 又は 端子箱 | 防爆等級 | 保護等級 | 備考 | |
|---|---|---|---|---|---|
| 条件 | ※2(例) | ||||
| 国際 (IECEx) |
IECEx 認定品 |
注) |
Ex de ⅡC T6 & T5 Gb Ex tb ⅢC Db T85℃ & T100℃ |
IP66 |
※1 |
| 欧州 (Baseefa) |
ATEX 認定品 | Ⅱ2 GD Ex de ⅡC tD A21 T6 T85℃ & T5 T100℃ |
|||
| 中国 (NEPSI) |
NEPSI 認定品 | Ex de ⅡC T5/T6 Gb Ex tD A21 IP66 T85℃/T100℃ |
|||
| ロシア カザフスタン ベラルーシ (TR CU) |
TR CU 認定品 | 1Ex de ⅡC T5/T6 Gb X | |||
| インド (PESO) |
PESO 認定品 | Ex Ⅱ2G / ExdeⅡC | |||
| 米国 (FM) |
FM or UL 認定品 | ClassⅠ, Div.1,Gr.A,B,C & D ClassⅡ/Ⅲ,Div.1,Gr.E,F & G |
NEMA4 & 4X | ||
- ※1:
更にIECEx(防爆電気機器の国際相互認証制度)も取得しましたので、受入れ国側の安全試験は免除されスムーズな販売・流通が可能となりました。
- ※2:
組合せる温度伝送器、端子箱は当センサが防爆認定を取得している国、機関の検定を取得しているものとの組合せが基本です。必ずメーカの取得最新情報をご確認下さい。尚、日本国内での防爆検定を必要とする危険場所では使用できません。
T39N/T49N

T39U/T49U

(シース熱電対)
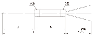
| 基本形式(*1) | T39N T39U T39S T49N T49U T49S |
ニップル付き ニップル,ユニオン付き 補強パイプ付き ニップル付きスプリング式 ニップル,ユニオン付きスプリング式 補強パイプ付きスプリング式 |
|---|---|---|
| 認定分類 | -EX -EC -NP -TR -PS -FM |
IECEx 認定(R49N,U,S のみ) ATEX(Baseefa) 認定(R49N,U,S のみ) NEPSI 認定(R49N,U,S のみ) TR CU 認定(R49N,U,S のみ) PESO 認定(R49N,U,S のみ) FM 認定(R49N,U,S のみ) |
| ニップル長さ(*3) | -1 -2 |
N=75(39N,49N) N=160(39U,49U) |
| 全長 | L | (単位 mm) |
| シース外径 | B,CN D,DN E,EN F,FN G |
φ1.6, φ2.0 φ3.2, φ3.0 φ4.8, φ4.5 φ6.4, φ6.0 φ8.0 |
| 素線数 | 2 4 |
シングル ダブル |
| エレメントの種類 | N K E J T |
Ni-Cr-Si / Ni-Si Ni-Cr / Ni-AI Ni-Cr / Cu-Ni Fe / Cu-Ni Cu / Cu-Ni |
| 測温接点 | 5 8 9 |
(#5)非接地分離型 G(#8)接地型 U(#9)非接地型 |
| シース材質 | C D B |
316SS 310S SS NCF600 相当(NCF600eq) |
| クラス | 01 02 03 04 05 06 07 08 |
1(JIS) 2(JIS) 3(JIS) STD(ASTM) SP(ASTM) 1(IEC) 2(IEC) 3(IEC) |
| 付加仕様 | PRODUCT GUIDE 標準部品(Ⅰ)参照(フランジ、ねじ、パッド等) | |
| 挿入長さ | ℓ | (単位 mm) |
- (*1)IECEx,EC,NP,GR,GK,PSの認定書上の形式名は構造にかかわらずFPNと称す。
- (*2)NPT 1/2,BSPT 1/2,BSPP 1/2,M20X 1.5…(EX)(EC)(NP)(GR)(GK)(PS) NPT 1/2,R 1/2…(FM)
- (*3)標準寸法 他の寸法の場合はご指定下さい。
- 端子箱を設置する場所の周囲温度にご注意下さい。
EX,EC,NP,GR,GK,PS:-50~60℃(T6) -50~75℃(T5) FM:-50~75℃
IECExは受入れ国側の都合により検定免除確認等の申請手続きが必要な場合があります。
組み合わせる側の温度伝送器又は端子箱のねじサイズをご指定下さい。
注)中国(NEPSI)のみTM又は端子箱と組合せるネジサイズはG1/2、G3/4が使用不可です。
R39N/R49N

R39U/R49U

(シース測温抵抗体)
| 基本形式(*1) | R39N R39U R39S R49N R49U R49S |
ニップル付き ニップル,ユニオン付き 補強パイプ付き ニップル付きスプリング式 ニップル,ユニオン付きスプリング式 補強パイプ付きスプリング式 |
||
|---|---|---|---|---|
| 認定分類 | -EX -EC -NP -TR -PS -FM |
IECEx 認定(R49N,U,S のみ) ATEX(Baseefa) 認定(R49N,U,S のみ) NEPSI 認定(R49N,U,S のみ) TR CU 認定(R49N,U,S のみ) PESO 認定(R49N,U,S のみ) FM 認定(R49N,U,S のみ) |
||
| ニップル長さ(*3) | -1 -2 |
N=75(39N,49N) N=160(39U,49U) |
||
| 全長 | L | (単位 mm) | ||
| シース外径 | D,DN E,EN F,FN G |
φ3.2, φ3.0 φ4.8, φ4.5 φ6.4, φ6.0 φ8.0 |
||
| 素線数 | 3,4 6 |
シングル ダブル |
||
| 使用温度範囲 | L N M H |
-196℃~100℃ -30℃~200℃ 0~350℃ 0~500℃ |
||
| 抵抗値 | 100 | PT100Ω or JPt100Ω | ||
| クラス | -AAJ -AJ -BJ -CJ -A -B -AAI -AI -BI -CI |
Pt 100Ω AA級(JIS-2013) Pt 100Ω A級(JIS-2013) Pt 100Ω B級(JIS-2013) Pt 100Ω C級(JIS-2013) Pt 100Ω A級(JIS-1997) Pt 100Ω B級(JIS-1997) Pt 100Ω AA級(IEC) Pt 100Ω A級(IEC) Pt 100Ω B級(IEC) Pt 100Ω C級(IEC) |
-10 -11 -1 -2 |
Pt 100Ω B級(ASTM) Pt 100Ω A級(ASTM) JPt 100Ω B級 JPt 100Ω A級 |
| 付加仕様 | PRODUCT GUIDE 標準部品(Ⅰ)参照(フランジ、ねじ、パッド等) | |||
| 挿入長さ | ℓ | (単位 mm) | ||
- (*1)IECEx,EC,NP,GR,GK,PSの認定書上の形式名は構造にかかわらずFPNと称す。
- (*2)NPT 1/2,BSPT 1/2,BSPP 1/2,M20X 1.5…(EX)(EC)(NP)(GR)(GK)(PS) NPT 1/2,R 1/2…(FM)
- (*3)標準寸法 他の寸法の場合はご指定下さい。
- 端子箱を設置する場所の周囲温度にご注意下さい。
EX,EC,NP,GR,GK,PS:-50~60℃(T6) -50~75℃(T5)
FM:-50~75℃
IECExは受入れ国側の都合により検定免除確認等の申請手続きが必要な場合があります。
組み合わせる側の温度伝送器又は端子箱のねじサイズをご指定下さい。
注)中国(NEPSI)のみTM又は端子箱と組合せるネジサイズはG1/2、G3/4が使用不可です。


