FAQ (Frequently Asked Questions)
Thermocouples/Compensating Cables
What is the impact when the insulation resistance of a thermocouple decreases?
When thermocouples are used at sites, their insulation resistance may decrease because of the impact of the installation place, degradation of insulators due to aging, humidity invasion during manufacturing, etc. In many cases, thermocouples can be used without any problems; however, what is the actual impact in the cases above? Also, how much insulation resistance decrease can be tolerated?
1. Introduction
When the soundness of thermocouples is conveniently evaluated, generally conductivity and a high insulation resistance are used as a guidline in many cases. "In the case of product shipment as a delivery inspection, what is prescribed in JIS C1602 / 1605 is thermoelectromotive force characteristics and insulation resistance. "Since the current JIS has been integrated into the IEC standard, the insulation resistance value on shipping is 100 MΩ/500 V DC, which is extremely high. Conventionally, it was 5 MΩ/500 V DC when Japanese original standard was applied. This change was intended on following the IEC standard, and there is absolutely no reason for the insulation resistance to be so high; however, in most cases, the performance is judged only by this value.
However, in reality, in many cases, normal temperature measurement is possible despite a decrease in the insulation resistance due to long time usage. Then, we investigated the relationship between the insulation resistance of thermocouples and errors referring to experiments and theories.
2. Evaluation by Experiment
(1) Experimental method
The following circuit was prepared and the insulation resistance decrease status was simulated. By manipulating the variable resistor inserted between the wires, the resistance between the wires (insulation resistance) which affects the output (thermo-electromotive force) of a thermocouple was measured.
(2) Result
As shown in the table below, although there is a variation, up to about 1 kΩ is the allowable error of the thermocouple.
Remark: For the values for 200 MΩ and 100 MΩ in the data above, we have tested an actual product with moisture absorbed at 800°C and quoted as they are.
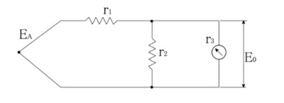
3. Evaluation by Theory
(1) Equivalent Circuit
When an equivalent circuit of the one where insulation resistance decreased in the experiement is considered as in the diagram below, the generated error is indicated by the equations below.
R = r2×r3 /(r2+r3)
E0 = R×EA / (r1+R)
EA: Thermal electromotive force of a thermocouple (mV)
r1: Resistance of thermocouple/Compensating Cable (Ω)
r2: Insulation resistance (Ω)
r3: Resistance inside the measurement instrument (Ω)
E0: Input voltage for measurement instrument (mV)
(2) Calculation Result
The values are the results calculated at a temperature of 800°C and with the same length of the thermocouple as the ones used in the experiment.
4. Conclusion
Although the results of the experiment and theory differ greatly from each other, we obtained almost the same results. That is, as long as the insulation resistance is about 50 kΩ, performance is not adversely affected. Also, approx. the insulation resistance of 1 kΩ has the errors equivalent to the tolerance range specified in JIS Class 1.
Therefore, we can conclude that our experimental rules at sites are almost correct, and valid temperature measurement is possible even if the insulation resistance decreases down below the insulation resistance standardized by JIS.
However, even an insulation resistance decrease which causes no problems with temperature measurement, there is a danger that it will further decrease as time proceeds. Therefore, we recommend early replacement if insulation resistance decreases below 1 MΩ. Also, products can be easily affected by noise when the insulation resistancedecreases; therefore, be careful of the noise source near the products.
